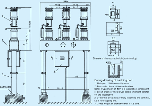
概述
ZW17-40.5系列户外高压真空断路器是三相交流50Hz、额定电压为40.5kV的户外高压电气设备。作为分合负荷电流、过载电流及短路电流之用,并适用于频繁操作的场所。
工作条件
1)海拔高度:≤1000m(特殊要求另行协商);
2)环境温度:-25℃~+40℃;
3)风压:不超过700Pa(相当于风速35m/s);
4)地震烈度:不超过8度;
5)污秽等级:Ⅲ级、Ⅳ级(爬电比距:25mm/KV、31.5mm/KV)
6)安装场所:无火灾爆炸危险,无化学腐蚀及经常性的剧烈震动
主要特点
该产品除具备真空断路器所共有特点外(即:机械寿命高、电寿命长、维护量小)还具备其自身如下特点:
1)选用国内知名品牌真空灭弧室,安全可靠、寿命长;
2)采用新型绝缘材料,避免了充气、充油等缺;
3)电流互感器具有精度高、容量大、多变比、多次级等特点;例如:100、200、300/5 0.2S/0.5/10P10/10P10 15/25/50/50VA
4)采用CT19W-I型弹簧机构,操作功小、机构寿命长;机械寿命10000次;DC220V时,合闸电流1.8A 分闸电流 2.5A
5)产品外形精致美观:A. 瓷套与法兰为浇注一体式、强度高、稳定可靠;B. 增加相序帽可避免漏水现象;C. 底架采用热镀锌防腐工艺;封板、机构箱密封效果好。
主要参数


